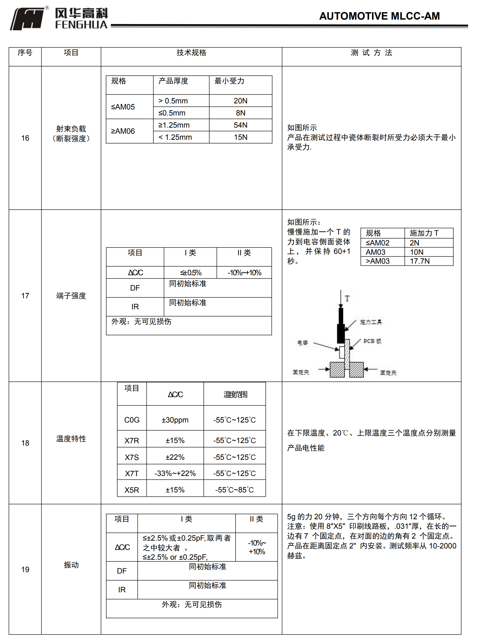
■ 车规片式陶瓷电容器--AM 系列

◆ 特征
* 叠层独石结构,具有高可靠性能
* 具有优良的焊接与耐焊性能,适用于回流焊接与波峰焊接
* 具有较高的容量且容量性能稳定
* 此类电容器为汽车专用电子元器件,已通过AEC-Q200标准设定的所有实验条件,
在汽车使用过程中更具稳定性、安全性
* 材料使用主要有温度稳定性能较高的 C0G 以及高介电常数的 X7R、X5R、X7S、X7T
* 执行标准:GB/T 21041-2007 GB/T 21042-2007 AEC-Q200
◆ 应用
* 满足 AEC-Q200
* 通用型车规品,适用于引擎 ECU 驱动模块,自动变速器控制模块、大灯控制模块、中控门锁控制模块、ABS 控制模块、电动车窗控制模块、仪表板控制模块、安全气囊控制模块、自动空气控制模块、电控悬架控制模块,娱乐系统模块等。









