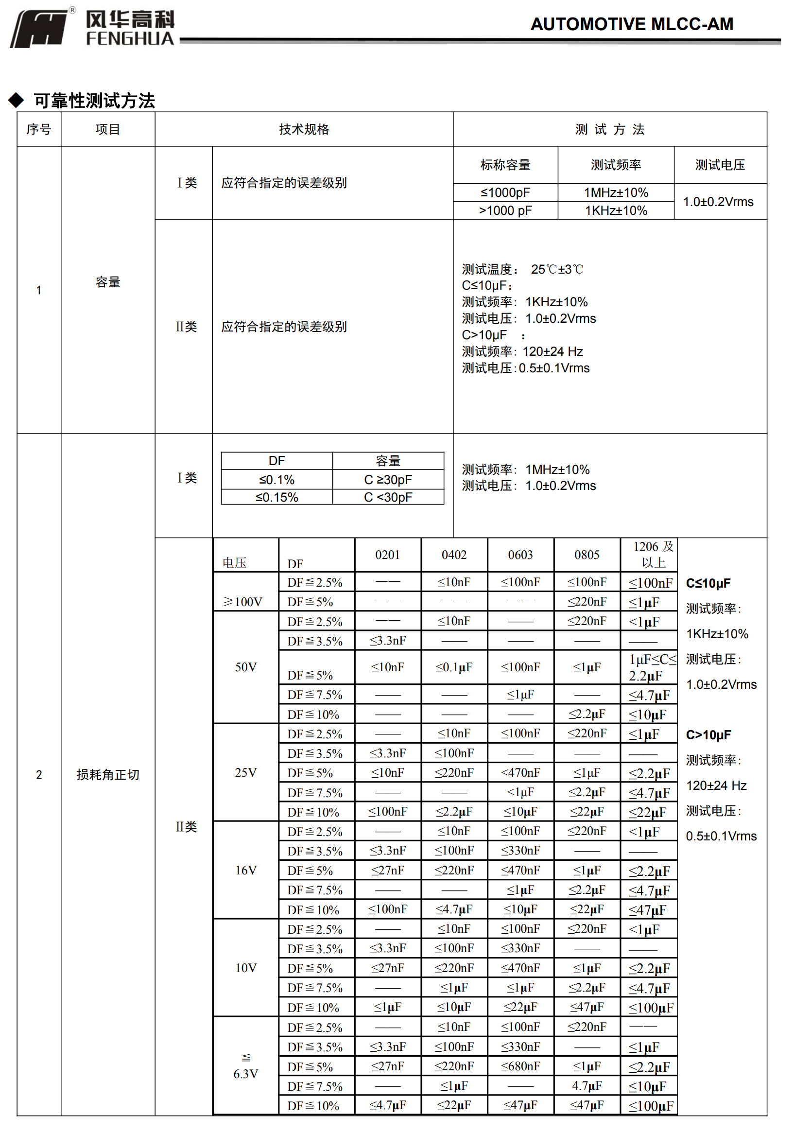
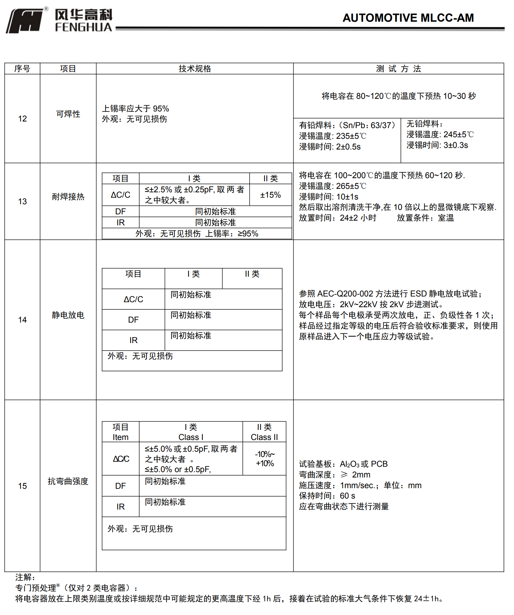
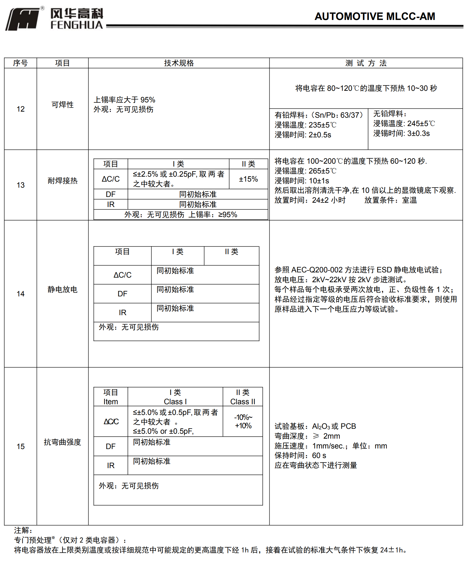
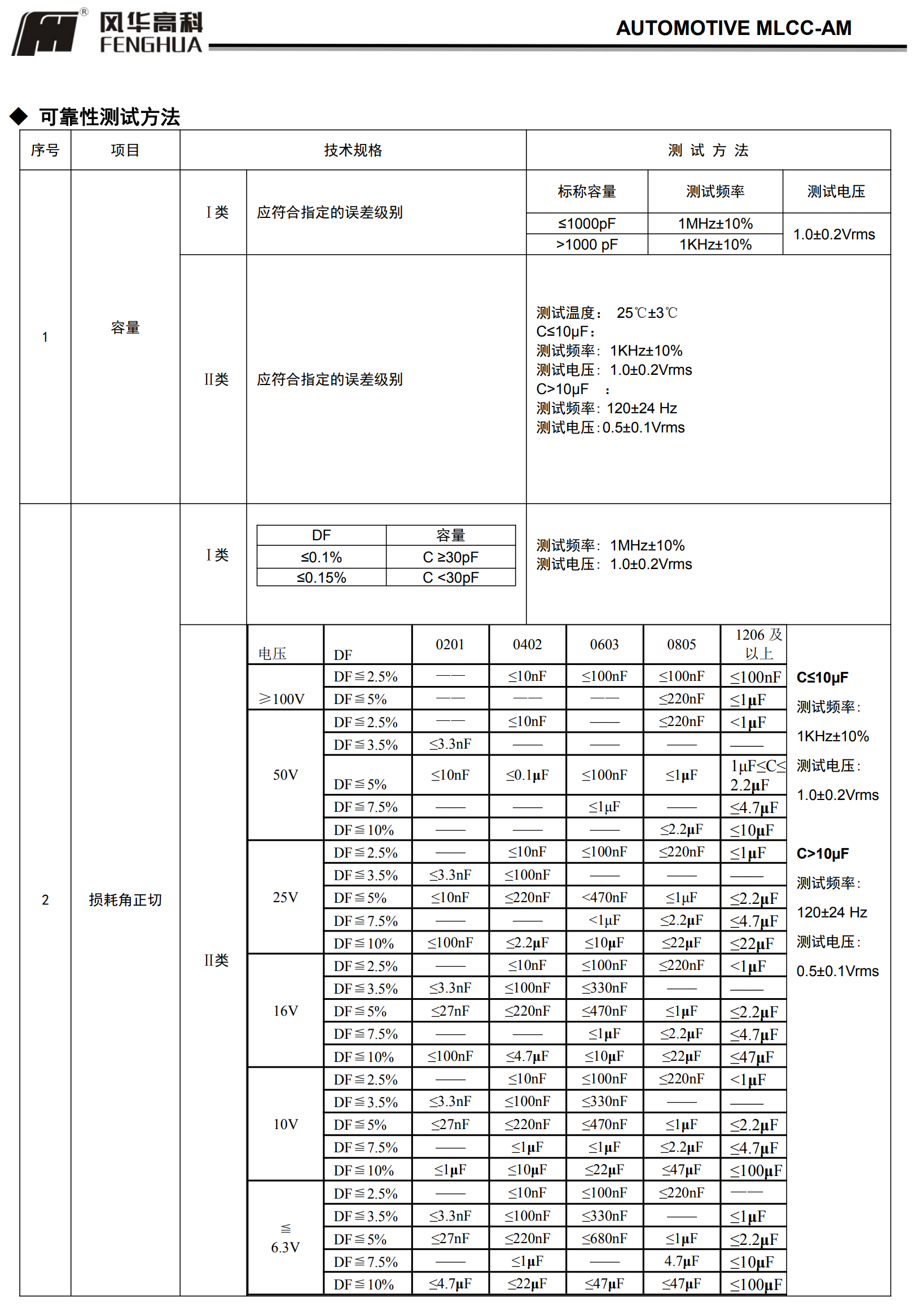
■ AS系列 安规规格认定型车规多层片式陶瓷电容器

◆ 特征
* 叠层独石结构,具有高可靠性能
* 具有优良的焊接与耐焊性能,适用于回流焊接与波峰焊接
* 具有较高的容量且容量性能稳定
* 此类电容器为汽车专用电子元器件,已通过AEC-Q200标准设定的所有实验条件,
在汽车使用过程中更具稳定性、安全性
* 材料使用主要有温度稳定性能较高的 C0G 以及高介电常数的 X7R、X5R、X7S、X7T
* 执行标准:GB/T 21041-2007 GB/T 21042-2007 AEC-Q200
此类电容器为汽车专用电子元器件,已通过AEC-Q200标准设定的所有实验条件,在汽车使用过程中更具稳定性、安全性。车规电容器包括五个系列:AM(适用于引擎ECU等的驱动系统控制、安全气囊、ABS等的安全控制装置)、AE(采用树脂端头工艺,更有效有效抑制板间弯曲产生的应力裂纹,适用于车载电源控制、电池线等易弯曲模块、动力传输模块)、AU(用于车内信息、多媒体、导航、装饰等通用的舒适娱乐模块)、AS(适用于电池充电器、变频器、DC-DC转换器等)和AP(开路模式产品设计,可以避免开裂导致的瞬间短路烧毁。适用于汽车电池线、动力传输模块)。








