产品中心 | 联系我们 您好,欢迎访问东莞市超翔电子有限公司官方网站,我们将竭诚为您服务!
风华高科授权代理商 一站式电子元器件整合供应商
全国咨询热线:0769-85325266
您的位置: 首页>产品中心>风华电容>MLCC
MLCC

高Q电容(HQ系列)多层片式陶瓷电容器

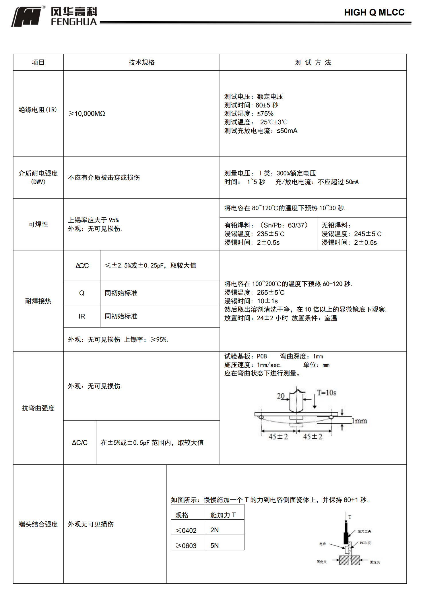
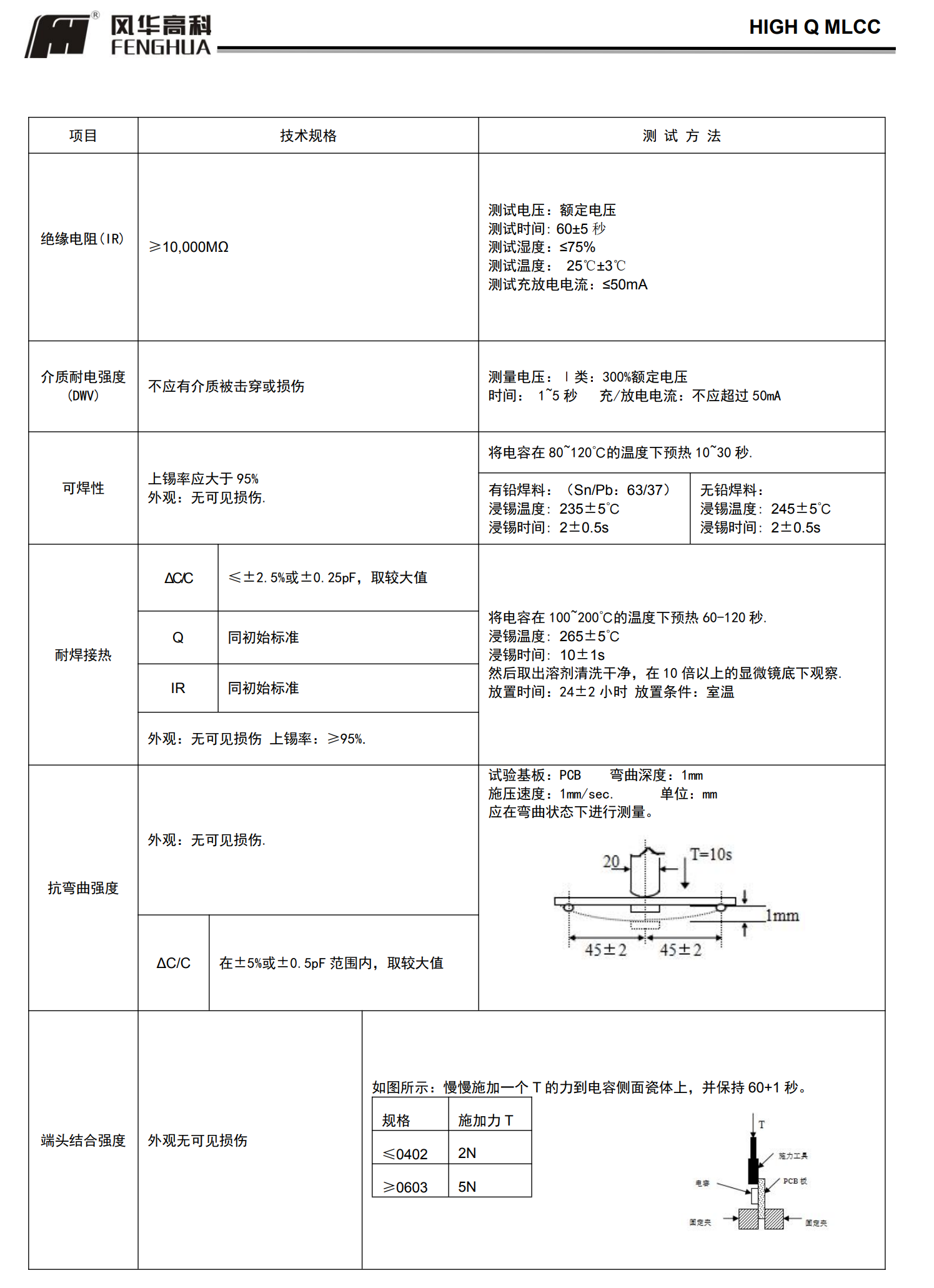
■高 Q 片式多层陶瓷电容器◆特征* 叠层独石结构,具有高可靠性能* 具有优良的焊接与耐焊性能,适用于回流焊接与波峰焊接* 具有较高的容量且容量性能稳定* 内部电极采用铜金属浆料* 高 Q 值High Q* 低等效串联电阻* 执行标准:GB/T 21041-2007◆应用* 通讯设备* 射频功率放大器* 滤波网

在线咨询全国热线
0769-85325266
产品描述

■高 Q 片式多层陶瓷电容器

高Q电容(HQ系列)多层片式陶瓷电容.png

◆特征

* 叠层独石结构,具有高可靠性能

* 具有优良的焊接与耐焊性能,适用于回流焊接与波峰焊接

* 具有较高的容量且容量性能稳定

* 内部电极采用铜金属浆料

* 高 Q 值

High Q

* 低等效串联电阻

* 执行标准:GB/T 21041-2007


◆应用

* 通讯设备

* 射频功率放大器

* 滤波网


在线客服
联系方式

热线电话

0769-85325266

上班时间

周一到周六

手机号码

13712101206

微信二维码
线